
本文主要讲述常见的开关电源拓扑结构特点和优缺点对比。
常见的拓扑结构,包括Buck降压、Boost升压、Buck-Boost降压-升压、Flyback反激、Forward正激、Two-Transistor Forward双晶体管正激等。

常见的基本拓扑结构
一、基本的脉冲宽度调制波形
这些拓扑结构都与开关式电路有关。基本的脉冲宽度调制波形定义如下:
二、常见的基本拓扑结构
1、Buck降压

- 把输入降至一个较低的电压。
- 可能是最简单的电路。
- 电感/电容滤波器滤平开关后的方波。
- 输出总是小于或等于输入。
- 输入电流不连续(斩波)。
- 输出电流平滑。
2、Boost升压

- 把输入升至一个较高的电压。
- 与降压一样,但重新安排了电感、开关和二极管。
- 输出总是比大于或等于输入(忽略二极管的正向压降)。
- 输入电流平滑。
- 输出电流不连续(斩波)。
3、Buck-Boost降压-升压

- 电感、开关和二极管的另一种安排方法。
- 结合了降压和升压电路的缺点。
- 输入电流不连续(斩波)。
- 输出电流也不连续(斩波)。
- 输出总是与输入反向(注意电容的极性),但是幅度可以小于或大于输入。
- “反激”变换器实际是降压-升压电路隔离(变压器耦合)形式。
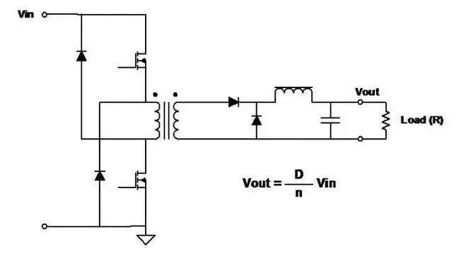
4、Flyback反激

- 如降压-升压电路一样工作,但是电感有两个绕组,而且同时作为变压器和电感。
- 输出可以为正或为负,由线圈和二极管的极性决定。
- 输出电压可以大于或小于输入电压,由变压器的匝数比决定。
- 这是隔离拓扑结构中最简单的。
- 增加次级绕组和电路可以得到多个输出。
5、Forward正激

- 降压电路的变压器耦合形式。
- 不连续的输入电流,平滑的输出电流。
- 因为采用变压器,输出可以大于或小于输入,可以是任何极性。
- 增加次级绕组和电路可以获得多个输出。
- 在每个开关周期中必须对变压器磁芯去磁。常用的做法是增加一个与初级绕组匝数相同的绕组。
- 在开关接通阶段存储在初级电感中的能量,在开关断开阶段通过另外的绕组和二极管释放。
6、Two-Transistor Forward双晶体管正激

- 两个开关同时工作。
- 开关断开时,存储在变压器中的能量使初级的极性反向,使二极管导通。
- 主要优点:每个开关上的电压永远不会超过输入电压;无需对绕组磁道复位。
7、Push-Pull推挽

- 开关(FET)的驱动不同相,进行脉冲宽度调制(PWM)以调节输出电压。
- 良好的变压器磁芯利用率——在两个半周期中都传输功率。
- 全波拓扑结构,所以输出纹波频率是变压器频率的两倍。
- 施加在FET上的电压是输入电压的两倍。
8、Half-Bridge半桥

- 较高功率变换器极为常用的拓扑结构。
- 开关的驱动不同相,进行脉冲宽度调制以调节输出电压。
- 良好的变压器磁芯利用率——在两个半周期中都传输功率。而且初级绕组的利用率优于推挽电路。
- 全波拓扑结构,所以输出纹波频率是变压器频率的两倍。
- 施加在FET上的电压与输入电压相等。
9、Full-Bridge全桥

- 较高功率变换器最为常用的拓扑结构。
- 开关以对角对的形式驱动,进行脉冲宽度调制以调节输出电压。
- 良好的变压器磁芯利用率——在两个半周期中都传输功率。
- 全波拓扑结构,所以输出纹波频率是变压器频率的两倍。
- 施加在 FETs上的电压与输入电压相等。
- 在给定的功率下,初级电流是半桥的一半。
10、SEPIC单端初级电感变换器

- 输出电压可以大于或小于输入电压。
- 与升压电路一样,输入电流平滑,但是输出电流不连续。
- 能量通过电容从输入传输至输出。
- 需要两个电感。
11、C’uk(Slobodan C’uk的专利)

- 输出反相。
- 输出电压的幅度可以大于或小于输入。
- 输入电流和输出电流都是平滑的。
- 能量通过电容从输入传输至输出。
- 需要两个电感。
- 电感可以耦合获得零纹波电感电流。
三、电路工作的细节
下面讲解几种拓扑结构的工作细节。1、Buck-降压调整器-连续导电

- 电感电流连续。
- Vout是其输入电压(V1)的均值。
- 输出电压为输入电压乘以开关的负荷比(D)。
- 接通时,电感电流从电池流出。
- 开关断开时电流流过二极管。
- 忽略开关和电感中的损耗,D与负载电流无关。
- 降压调整器和其派生电路的特征是:输入电流不连续(斩波),输出电流连续(平滑)。
2、Buck-降压调整器-临界导电

电感电流仍然是连续的,只是当开关再次接通时“达到”零。这被称为“临界导电”。输出电压仍等于输入电压乘以D。3、Buck-降压调整器-不连续导电

- 在这种情况下,电感中的电流在每个周期的一段时间中为零。
- 输出电压仍然(始终)是v1的平均值。
- 输出电压不是输入电压乘以开关的负荷比(D)。
- 当负载电流低于临界值时,D随着负载电流而变化(而Vout保持不变)。
4、Boost升压调整器

输出电压始终大于(或等于)输入电压。输入电流连续,输出电流不连续(与降压调整器相反)。输出电压与负荷比(D)之间的关系不如在降压调整器中那么简单。在连续导电的情况下:
在本例中,Vin = 5 , Vout = 15D = 2/3;Vout = 15 , D = 2/3。5、变压器工作(包括初级电感的作用)

变压器看作理想变压器,它的初级(磁化)电感与初级并联。6、反激变压器

此处初级电感很低,用于确定峰值电流和存储的能量。当初级开关断开时,能量传送到次级。7、Forward 正激变换变压器

- 初级电感很高,因为无需存储能量。
- 磁化电流(i1)流入 “磁化电感”,使磁芯在初级开关断开后去磁(电压反向)。
结 语
本文回顾了目前开关式电源转换中最常见的电路拓扑结构。除此之外还有许多拓扑结构,但大多是这些拓扑的组合或变形。每种拓扑结构包含独特的设计权衡:施加在开关上的电压,斩波和平滑输入输出电流,绕组的利用率。选择最佳的拓扑结构需要研究:输入和输出电压范围,电流范围,成本和性能、大小和重量之比。2023年8月8-10日
JOIN US
齐约千年商都
广州·广交会展馆


内容来源于网络,版权归原作者所有,内容仅供参考,文中观点不代表本公众号立场和观点,如有侵权请联系删除。
企业推荐:
01.伊戈尔电气股份有限公司02.麦格米特电气股份有限公司03.明纬(广州)电子股份有限公司04.深圳市普德新星电源技术有限公司05.广成明(广州)电子科技股份有限公司联系我们:
广东鸿威国际会展集团有限公司
联系电话:4006-258-268
联系地址:广州市海珠区新港东路1000号保利世界贸易中心C座7楼











快戳下方【阅读原文】,免费参观登记,快来!